Контакты
Новости
Каталоги
Наличие по Excel
 Войти
Сортировать:
Сначала новые
Сначала старые
Цена ↑
Цена ↓
Кол-во ↑
Кол-во ↓
Имя A→Я
Имя Я→A
Серийник ↑
Серийник ↓
210034 - Подшипник вала верхнего привода кам. накл. ТС5
3 693 ₽
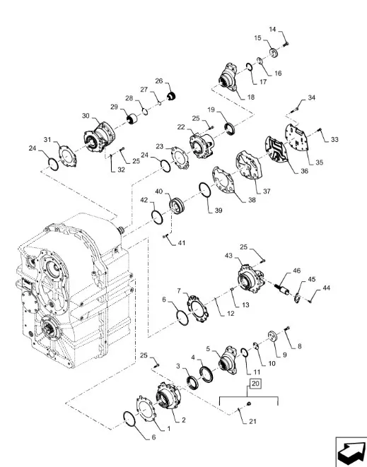
238-6373 - 6373 Кольцо упл. хвостовика моста заднего Т9./St.
1 813 ₽
359207A1 - Держатель вала входного КПП TJT9./St.
46 579 ₽
90413092 - Ремень прив. ген., насоса вод., компр. конд. ДВС T8./Mg. с 14г.в., Axion9
4 817 ₽
84137965 - Ремень прив. элев. зерн. CR с 11г.в.
25 780 ₽
504315786 - Натяжитель ремня ген. и насоса вод. ДВС Cursor9T T8./Mg., T6/Maxx.
27 188 ₽
84170773 - Вал карданный (демпфер ДВС редуктор повыш.) КПП T8.
149 561 ₽
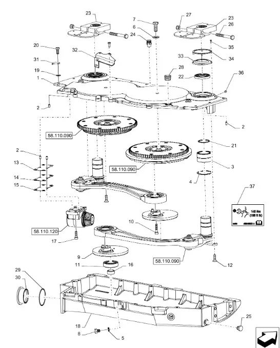
85000175 - Редуктор МКШ жатки H/E Cap, Vari, 720, 2030
214 042 ₽
84058255 - Ремень прив. МКШ жатки H Cap, 720, 2030
7 284 ₽
84597068 - Фильтр топл. тонк. оч. ДВС Cursor10/13 T9,T9.505/St., CR, Tr., Str.
2 757 ₽
86566790 - Цепь (H 1я ст. усил.) прив. выгр. шнека CX8, CR сн до 799
5 692 ₽
5096729 - Фильтр масл. с лого Case ДВС TD5.110/JX110
1 286 ₽
84476646 - Фильтркартридж гидравл. TMT7/MXMPm до 08г.в
9 005 ₽
47783488 - Ремень привода вала колпака противопыльного вент. охл. CX6
3 955 ₽
47833564 - Фильтр КПП гидравл. T8./Mg.
14 584 ₽
47533795 - Ремень привода вала соломотряса 3140мм CX6
14 492 ₽
178553A1 - Кольцо толщ. 0,076мм муфты торм. редуктора моста 450сер. TJT9./St.
5 181 ₽
47677096 - сальник
4 602 ₽
84372057 - Фильтр масляный ДВС TJ/St. STX
4 534 ₽
421866 - Штифт
543 ₽
9823420 - Подшипник кон. корп. дифф. моста задн. TGT8./Mg., TJT9./St., редукт. ДВС 6130/40/50
13 199 ₽
84214564 - Фильтр топл. тонк. оч. ДВС TD5.110/JX110, H8040/WD1203
760 ₽
84284907 - Масляный фильтр двигателя
1 816 ₽
5801625923 - Сальник передн. коленв. ДВС Cursor10/13 T9 T9./St., CR
5 867 ₽
«
<
1
...
4
5
6
7
8
...
34117
>
»
Страница:
Перейти